РСН25М 380В 50Гц 0,1-10с Реле контроля трехфазного напряжения

заказ по телефону 8-800-600-90-26 или e-mail sale@ie-spb.com

Рекомендуем

Сохранить или поделиться с близкими:

Цена
Экономия
Итого: {{ price*number | localeString }}
Уточнить цену

Санкт-Петербург и Ленинградская область

Заказ до 50 000 руб. - 1500 руб. + 30 руб/км за КАД

Заказ от 50 000 руб. - БЕСПЛАТНО + 30 руб/км за КАД

Регионы РФ

Заказ до 50 000 руб. - 2000 руб. до любой транспортной компании с экспедированием

Заказ от 50 000 руб. - БЕСПЛАТНО

Санкт-Петербург и Ленинградская область

Работаем только с юридическими лицами.

Регионы РФ

Работаем только с юридическими лицами.

{ "id": 282533, "canBuy": "Y", "price": 6500, "priceOld": 0, "economy": 0, "number": 1, "multiplicity": 1 }
[]

Реле РСН25М в наличии от официального дистрибьютора в Санкт-Петербурге, а также поставка продукции для АИИС КУЭ, АСТУЭ, телемеханики и диспетчеризации.

Реле контроля трехфазного напряжения РСН25М предназначены для контроля допустимого уровня напряжения, обрыва фаз и порядка чередования фаз трехфазного переменного тока с межфазным напряжением 100, 220, 380 и 400В частоты 50Гц. Такие реле могут использоваться в системах автоматического управления и защиты от недопустимой несимметрии или симметричного снижения фазных напряжений, работы на двух фазах источников и преобразователей электрической энергии, трехфазных асинхронных двигателей.

  • Реле РСН25М соответствуют требованиям ТУ 3425-060-00216823-98

  • Защита от влаги и пыли: реле по оболочке – IP40, выводов реле – IP20 по ГОСТ 14254

  • Климатическое исполнение: УХЛ3.1 по ГОСТ 15150

  • Высота над уровнем моря: 2000 м, не более

  • Относительная влажность окружающего воздуха: до 98% при t = +25 °C

  • Температура окружающего воздуха: -40...+55 °С

  • Рабочее положение в пространстве:

- горизонтальное (с нормальным положением маркировочных данных)

- вертикальное (лицевой панелью вверх)

  • Вибрация мест крепления реле в диапазоне частот: от 10 до 100 Гц при ускорении 1 g (группа условий эксплуатации М7 по ГОСТ 17516.1)\
  • Масса: 0,3 кг, не более

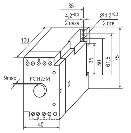
Габариты:

Вес (грамм): 0

Характеристики:

Санкт-Петербург и Ленинградская область

Заказ до 50 000 руб. - 1500 руб. + 30 руб/км за КАД

Заказ от 50 000 руб. - БЕСПЛАТНО + 30 руб/км за КАД

Регионы РФ

Заказ до 50 000 руб. - 2000 руб. до любой транспортной компании с экспедированием

Заказ от 50 000 руб. - БЕСПЛАТНО

Санкт-Петербург и Ленинградская область

Работаем только с юридическими лицами.

Регионы РФ

Работаем только с юридическими лицами.

Похожие товары

Новинка
На складе 2 шт
Обновлено 15.04.2026
Цена:
6 500 руб. / шт
Хит продаж
На складе 6 шт
Обновлено 25.11.2025
Цена:
6 240 руб. / шт
Рекомендуем
На складе 8 шт
Обновлено 17.04.2025
Цена:
11 400 руб. / шт
Акция
На складе 24 шт
Обновлено 17.04.2025
Цена:
4 800 руб. / шт
Рекомендуем
На складе 17 шт
Обновлено 17.04.2025
Цена:
6 240 руб. / шт
Под заказ
Обновлено 13.02.2024
Цена:
8 640 руб. / шт
Хит продаж
На складе 4 шт
Обновлено 04.12.2025
Цена:
8 400 руб. / шт