Шинодержатель ШН-10х100-2-1-87,5-П2-УХЛ3
заказ по телефону 8-800-600-90-26 или e-mail sale@ie-spb.com
| Климатическое исполнение: | УХЛ3 |
|---|---|
| Комплектация: | Полная |
Сохранить или поделиться с близкими:
Санкт-Петербург и Ленинградская область
Заказ до 50 000 руб. - 1500 руб. + 30 руб/км за КАД
Заказ от 50 000 руб. - БЕСПЛАТНО + 30 руб/км за КАД
Регионы РФ
Заказ до 50 000 руб. - 2000 руб. до любой транспортной компании с экспедированием
Заказ от 50 000 руб. - БЕСПЛАТНО
Санкт-Петербург и Ленинградская область
Работаем только с юридическими лицами.
Регионы РФ
Работаем только с юридическими лицами.
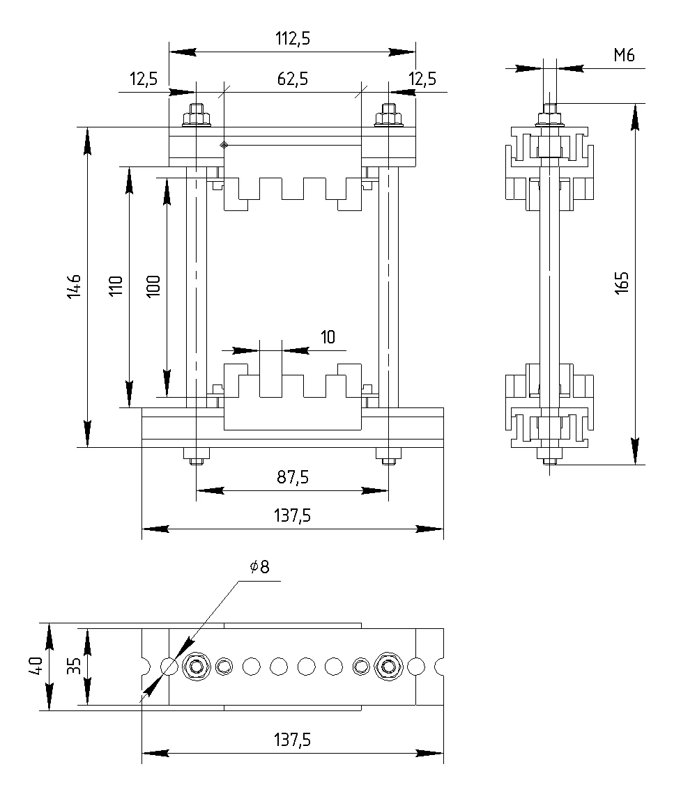
Шинодержатель ШН-10х100-2-1-87,5-П2-УХЛ3 - шинодержатель наборный с полной комплектацией и с двойными рейками, который предназначен для закрепления плоских токоведущих шин в электроустановках различного назначения и организации шинных трасс на напряжение до 1000 В переменного тока частотой 50, 60 Гц.
- Климатическое исполнение: УХЛ3
- Исполнение по виду рейки: Двойная (усиленная)
- Количество полюсов: 1
- Комплектация: Полная
- Межполюсное расстояние L₁, мм: 87,5
- Толщина шины, мм: 10
- Количество пазов в изоляторе: 2
- Ширина шины, мм: 100
Структура условного обозначения:
- Шинодержатель наборный
- Толщина шины S, мм: 4, 5, 6, 8, 10
- Ширина шины B, мм: 30...160
- Количество пазов в изоляторе
- Количество полюсов (от 1 до 8)
- Расстояние между осями полюсов* (кратно шагу 12,5 мм)
- Исполнение по комплектации: П - полная; Н - неполная
- Исполнение по виду рейки: 1 - одинарная; 2 - двойная (усиленная)
- Климатическое исполнение по ГОСТ 15150: УХЛ3, Т3
* В случае, если в шинодержателе один полюс, указывается расстояние между крайними шпильками (кратно шагу 12,5 мм).
Преимущества конструкции:
- Установка шин на «ребро».
- Усиленная конструкция для высоконагруженных систем.
- Закрепление:
- за края реек;
- за удлиненные шпильки;
- с помощью кронштейнов.
Технические характеристики шинодержателей ШН в сборе:
- Номинальное напряжение, В: 1000
- Номинальный ток, А: до 6300
- Номинальный ударный ток Ipk, kA: до 220
- Номинальный кратковременно допустимый ток Ipk, kA: до 100
- Диапазон рабочих температур изоляционной колодки ИШ, °C: от -60 до +150
- Диапазон рабочих температур шинодержателя ШН, °C: от -50 до +60
- Вид климатического исполнения по ГОСТ 15150: УХЛ3, Т3
- Класс горючести по ГОСТ 28157 (UL94):ПВ-0(VO)
- Допустимый кратковременный нагрев шин, °C: 150
- Срок службы, лет: 30
Схема сборки комплекта шинодержателей ШН
Виды изоляторов ИШ:


** Для медных шин, расположенных горизонтально, при температуре окружающей среды 35 °С и температуре шин 85 °С
При минимальных межфазных расстояниях может быть затруднён доступ к шпилькам крепления внутренних полюсов. Рекомендуется устанавливать полюса последовательно.
При высоких горизонтальных нагрузках необходимо использовать сдвоенный (усиленный) алюминиевый профиль.
Типы комплектаций шинодержателей:
- рейка нижняя
- рейка верхняя
- изолятор ИШ
- шпилька М6 (М8), удлиненная или стандартной длины
- винт М6
- шайба усиленная
- специальная гайка с накаткой
Габариты:
| Вес (грамм): | 0 |
|---|
Характеристики:
| Климатическое исполнение: | УХЛ3 |
|---|---|
| Комплектация: | Полная |
Санкт-Петербург и Ленинградская область
Заказ до 50 000 руб. - 1500 руб. + 30 руб/км за КАД
Заказ от 50 000 руб. - БЕСПЛАТНО + 30 руб/км за КАД
Регионы РФ
Заказ до 50 000 руб. - 2000 руб. до любой транспортной компании с экспедированием
Заказ от 50 000 руб. - БЕСПЛАТНО
Санкт-Петербург и Ленинградская область
Работаем только с юридическими лицами.
Регионы РФ
Работаем только с юридическими лицами.
Похожие товары
Обновлено 01.04.2026
Обновлено 01.04.2026
Обновлено 01.04.2026
Обновлено 01.04.2026
Обновлено 01.04.2026
Обновлено 01.04.2026
Обновлено 01.04.2026